Starting from:

$16.99

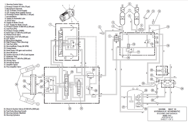
Komatsu Shop Manual 830E-1AC A30113 - A30136 (With K2000) Dump Truck CEBM019702 English

Brands: Komatsu
Equipment Type: Dump Truck
Manuals Type: Shop Manual
Machine Model: 830E-1AC
Serial Number: A30113 - A30136 (With K2000)
Book Code: CEBM019702
Issued: Printed in U.S.A.
Language: English
Pages: 1072
File Format: Portable Document Format (PDF)
Remark: The engine is a Komatsu SSDA16V159 rated @ 1492 kW (2000 HP). For details of the engine, see the Engine Shop Manual.



Find official manuals for everything related to your equipment. Our selection includes manuals for operation and maintenance, parts, and service:

Parts Manuals

Contain detailed exploded views and part numbers of all serviced parts for manufacturer products. These manuals give the information needed to quickly identify and order genuine parts to keep your machine running at peak performance.

Operation & Maintenance Manuals

Contain important safety, operating, and scheduled maintenance information for current or legendary manufacturer products.

Service Manuals

Contain procedures for safely and effectively testing, adjusting, troubleshooting, disassembling and assembling current or legendary manufacturer products. Systems schematics and detailed technical descriptions of systems theory are also included in these manuals.

Installation Manuals

Contains detailed instructions for dealer-installed field kits.

What information is included in a Service Manual and an Operation & Maintenance Manual?

For each of the manuals, information is organized in groups for the various components requiring service instructions. At the beginning of each group are summary listings of all applicable essential tools, service equipment and tools, other materials needed to do the job, service parts kits, specifications, wear tolerances, and torque values.

* Theory of Operation

* Diagnostics

* Schematics

* Wiring Diagrams & Harness Drawings

* Component Locations

* Test and Adjustments

* Testing & Diagnostic Special Tools

* Specifications

* Component Removal and Installation Instructions

* Component Disassemble and Assemble Instructions

* Any information necessary to rebuild components

* Rebuild Special Tools and Dealer Fabricated Tools

More products