Starting from:

$16.99

Komatsu Shop Manual D575A-2 SUPER DOZER 10012 and up Crawler Bulldozer SEBM006506 English

Brands: Komatsu
Equipment Type: Crawler Bulldozer
Manuals Type: Shop Manual
Machine Model: D575A-2 SUPER DOZER
Serial Number: 10012 and up
Book Code: SEBM006506
Issued: Printed in U.S.A. January 1997
Language: English
Pages: 812
File Format: Portable Document Format (PDF)
Remark: For details of the engine, see the Engine Shop Manual.



Find official manuals for everything related to your equipment. Our selection includes manuals for operation and maintenance, parts, and service:

Parts Manuals

Contain detailed exploded views and part numbers of all serviced parts for manufacturer products. These manuals give the information needed to quickly identify and order genuine parts to keep your machine running at peak performance.

Operation & Maintenance Manuals

Contain important safety, operating, and scheduled maintenance information for current or legendary manufacturer products.

Service Manuals

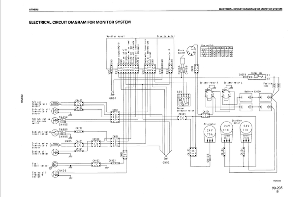
Contain procedures for safely and effectively testing, adjusting, troubleshooting, disassembling and assembling current or legendary manufacturer products. Systems schematics and detailed technical descriptions of systems theory are also included in these manuals.

Installation Manuals

Contains detailed instructions for dealer-installed field kits.

What information is included in a Service Manual and an Operation & Maintenance Manual?

For each of the manuals, information is organized in groups for the various components requiring service instructions. At the beginning of each group are summary listings of all applicable essential tools, service equipment and tools, other materials needed to do the job, service parts kits, specifications, wear tolerances, and torque values.

* Theory of Operation

* Diagnostics

* Schematics

* Wiring Diagrams & Harness Drawings

* Component Locations

* Test and Adjustments

* Testing & Diagnostic Special Tools

* Specifications

* Component Removal and Installation Instructions

* Component Disassemble and Assemble Instructions

* Any information necessary to rebuild components

* Rebuild Special Tools and Dealer Fabricated Tools

More products